
Naše firma se zabývá CNC soustružením, soustružením, CNC frézováním, frézováním, svařováním, ohraňováním, lisováním, vrtáním, obráběním na vačkových automatech a výrobou potrubního uložení.
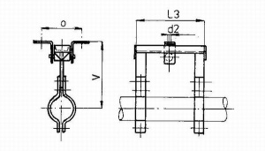
Typ 130770
Závěsy válečkové se dodávají v provedení podle obrázku. Závěsy se dodávají natřené dle ČSN 130420.
Závěsy se dodávají s objímkami typu 130602 (doplňková číslice .1) nebo 130700.3 (doplňková číslice .2).
Ocel 11373.0
Válečkový závěs pro zavěšení potrubí DN 150 (pr. tr. 169mm) se označí:
| DN | V | o | d2 | L3 | kg |
| 100 | 330 | 160 | 18 | 370 | 12,0 |
| 125 | 340 | 160 | 18 | 370 | 12,0 |
| 150 | 380 | 200 | 22 | 370 | 15,0 |
| 200 | 465 | 240 | 22 | 460 | 29,5 |
| 150 | 515 | 240 | 22 | 460 | 31,5 |
| 300 | 580 | 290 | 26 | 460 | 47,5 |
| 350 | 630 | 290 | 26 | 460 | 50,0 |
KOVOVÝROBA J+K s.r.o.
273 22 Hospozín 83
IČ:29014565
DIČ:CZ29014565
Kancelář:
Tel.: 315 766 162
Svátek má Saskie
Listopadová mlha zhasíná slunce.
Je-li v listopadu mokro, roste hojně trávy.
| Po | Út | St | Čt | Pá | So | Ne |
|---|---|---|---|---|---|---|
| 27 | 28 | 29 | 30 | 31 | 1 | 2 |
| 3 | 4 | 5 | 6 | 7 | 8 | 9 |
| 10 | 11 | 12 | 13 | 14 | 15 | 16 |
| 17 | 18 | 19 | 20 | 21 | 22 | 23 |
| 24 | 25 | 26 | 27 | 28 | 29 | 30 |